

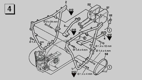
Assemblage du cadre et montage du moteur sur le cadre.

Cadre et moteur.


| 001 | Demi-cadre droit | P | 1 |
| 002 | Demi-cadre gauche | P | 1 |
| 003 | Bas de fourche arrière gauche | P | 1 |
| 004 | Bas de fourche droite | P | 1 |
| 022 | Partie gauche du réservoir d’huile | P | 1 |
| 027 | Partie droite du réservoir d’huile | P | 1 |
| 058 | Cadre de protection chaîne primaire | P | 1 |
| 112 | Bouchon de réservoir d’huile | P | 1 |
| Vis | 1,4 x 4,0 mm | 4 |
| Vis | 1,4 x 1,0 mm | 4 |
| Vis | 2,0 x 2,4 mm | 4 |
| Autocollants | 000 |
| Autres pièces | 000 |
| Câbles électriques | 000 |
| Pièces électriques | 000 |
| Pièces métalliques | 000 |
| Pièces plastiques | 008 |
| Total pièces | 008 |
| Total vis | 006 |
| Autocollants | 002 |
| Autres pièces | 000 |
| Câbles électriques | 000 |
| Pièces électriques | 000 |
| Pièces métalliques | 000 |
| Pièces plastiques | 068 |
| Total pièces | 070 |
| Total vis | 008 |