
Colle les supports de fourche (40 et 41) ensemble et sur le cadre (1).
Colle le renfort arrière (34) sur le cadre (1). Place la roue sur la cadre (1).
Colle le deuxième cadre (23) et colle la partie du cadre supérieur (2).

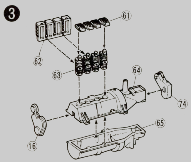
- Colle les demi-cylindres (62, 63)
- Colle l’ensemble de la culasse (61) sur les cylindres
- Colle les demi-carter (64 et 65) moteur
- Colle le carter (16) sur la partie avant du bloc moteur
- Colle le carter (74) sur la partie arrière du bloc moteur.
| 014 | Pneu arrière | P | 1 |
| 015 | Arbre de roue | P | 1 |
| 028 | Demi-flaque de roue | P | 1 |
| 029 | Demi-flaque de roue | P | 1 |
| 031 | Tambour de frein | P | 1 |
| 078 | Arbre de transmission roue arrière | P | 1 |
| 084 | Jante arrière | P | 1 |
| 001 | Cadre centrale droit | P | 1 |
| 002 | Partie du cadre | P | 1 |
| 023 | Cadre centrale gauche | P | 1 |
| 034 | Renfort arrière du cadre | P | 1 |
| 040 | Support avant de la fourche | P | 1 |
| 041 | Support arrière de la fourche | P | 1 |
| 016 | Carter avant bloc moteur | P | 1 |
| 061 | Ensemble de culasse | P | 1 |
| 062 | Demi-bloc cylindre doit | P | 1 |
| 063 | Demi-bloc cylindre gauche | P | 1 |
| 064 | Demi carter bloc moteur supérieur | P | 1 |
| 065 | Demi-carter bloc moteur inférieur | P | 1 |
| 074 | Carter arrière du bloc moteur | P | 1 |
| 017 | P | 1 | |
| 018 | P | 1 | |
| 066 | P | 1 | |
| 067 | P | 1 | |
| 068 | P | 1 |
| 053 | Connecteur pot d’échappement | P | 1 |
| 057 | Tuyau d’huile moteur | P | 1 |
| 058 | Tuyau d’huile moteur | P | 1 |
| 059 | Robinet | P | 1 |
| 060 | Robinet | P | 1 |
| 069 | Pompe à huile | P | 1 |
| 070 | Bougie | P | 2 |
| 071 | Bougie | P | 2 |