

Assemblage du bras oscillant de suspension et montage sur le cadre.
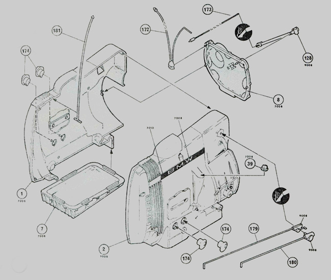
| 001 | Carter moteur droit | P | 1 |
| 002 | Carter moteur gauche | P | 1 |
| 007 | Carter d'huile | P | 1 |
| 008 | Carter boîte de vitesse | P | 1 |
| 039 | Jauge à huile | P | 1 |
| 128 | Levier d'embrayage | P | 1 |
| 172 | Câble tachymètre | P | 1 |
| 173 | Câble d'embrayage | P | 1 |
| 174 | Manchons des culbuteurs | P | 4 |
| 179 | Câble départ à froid droit | P | 1 |
| 180 | Câble départ à froid gauche | P | 1 |
| 181 | Câble d'alimentation | P | 1 |
| Autocollants | 000 |
| Pièces métalliques | 000 |
| Pièces plastiques | 015 |
| Total pièces | 015 |
| Autocollants | 000 |
| Pièces métalliques | 000 |
| Pièces plastiques | 015 |
| Total pièces | 015 |
| 070 | Cadre droit | P | 1 |
| 071 | Cadre gauche | P | 1 |
| 072 | Cadre supérieur droit | P | 1 |
| 073 | Cadre supérieur gauche | P | 1 |
| 178 | Alimentation bougie | P | 1 |
| Autocollants | 000 |
| Pièces métalliques | 000 |
| Pièces plastiques | 005 |
| Total pièces | 005 |
| Autocollants | 000 |
| Pièces métalliques | 000 |
| Pièces plastiques | 020 |
| Total pièces | 020 |
| 077 | Batterie | P | 1 |
| 106 | Support de batterie | P | 1 |
| Autocollants | 000 |
| Pièces métalliques | 000 |
| Pièces plastiques | 002 |
| Total pièces | 002 |
| Autocollants | 000 |
| Pièces métalliques | 000 |
| Pièces plastiques | 022 |
| Total pièces | 022 |
| 231 | Avertisseur | P | 1 |
| Autocollants | 000 |
| Pièces métalliques | 000 |
| Pièces plastiques | 001 |
| Total pièces | 001 |
| Autocollants | 000 |
| Pièces métalliques | 000 |
| Pièces plastiques | 023 |
| Total pièces | 023 |
| 081 | Tubule de cadre supérieur et inférieur | P | 2 |
| 100 | Bras oscillant supérieur | P | 1 |
| 101 | Bras oscillant inférieur | P | 1 |
| Autocollants | 000 |
| Pièces métalliques | 000 |
| Pièces plastiques | 004 |
| Total pièces | 004 |
| Autocollants | 000 |
| Pièces métalliques | 000 |
| Pièces plastiques | 027 |
| Total pièces | 027 |